KIẾN TRÚC NHÀ PHAN THIẾT
- Thiết kế nhà cấp 4; Nhà phố; Nhà cao tầng; Biệt thự; Thiết kế nội thất; Thi công xây dựng trọn gói; Nhận thầu phần thô xây dựng; Nhận thầu nhân công trọn gói;
- Thiết kế nhà giá rẻ Phan Thiết; Thiết kế nhà đẹp giá rẻ Phan Thiết; Thi công xây dựng giá rẻ Phan Thiết; Nhận thầu xây dựng giá rẻ Phan Thiết.
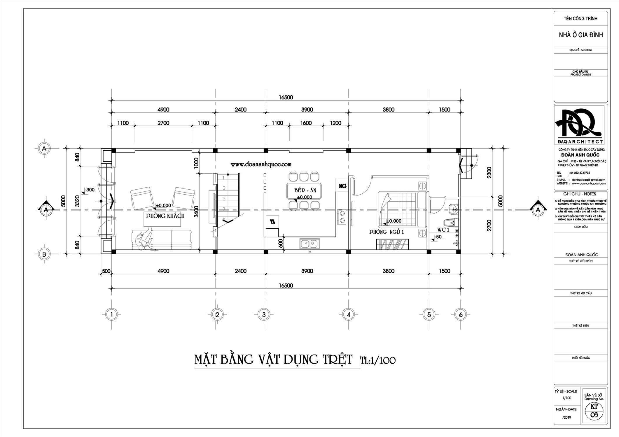
Đoàn Anh Quốc xin giới thiệu tới mẫu thiết kế nhà phố 2 tầng chữ 5×17m tại Phan Thiết.
--------------------------------------------------
KIẾN TRÚC MÁI THÁI PHỐ HIỆN ĐẠI
-
Chủ đầu tư: chị An
-
Địa điểm xây dựng: Phường Phú Trinh
Nhà phố Mái chữ A xinh nhất 2021- thiết kế thi công trọn gói tại Phan Thiết 850 triệu _ MS23

Mẫu nhà mái Thái đẹp, được Đoàn Anh Quốc Thiết kế và xây dựng tại Bình Thuận.

Mẫu thiết kế nhà phố 2 tầng mái chữ A đẹp đơn giản nhưng được nhiều người lựa chọn.


Mẫu thiết kế nhà phố mái Thái 2 tầng này chúng tôi sử dụng tone màu trắng chủ đạo tạo sự trang nhã, khang trang cho căn nhà. Ngôi nhà 2 tầng nhưng có đầy đủ 3 phòng ngủ, 2 nhà WC, phòng thờ, nhà bếp, phòng khách.


Chi tiết mặt tiền lầu 1 của thiết nhà màu sắc trang trọng hài hòa với tổng thể

Hút mắt với thiết kế 1 trệt 1 lầu tại Phan thiết

Phối cảnh nhìn chính diện của thiết kế nhà Phan Thiết

Góc nhìn phối cảnh

Các loại nhà phố này đơn giản các bạn không cần mất quá nhiều thời gian trong quá trình thiết kế, tuy nhiên đối với các công trình phức tạp hơn sẽ cần các bản vẽ chi tiết hơn, các bạn có thể đến trực tiếp văn phòng công ty để được tư vấn kĩ hơn. Ngoài mục đích kinh doanh, công ty mong muốn chia sẻ nhiều hơn nữa các bản thiết kế đẹp đến bạn đọc, nếu mọi người thấy bài viết bổ ích vui lòng chia sẻ bài viết này đến mọi người xung quanh, công ty Đoàn Anh Quốc rất mong được hợp tác với quý khách. Chúng tôi sẽ chia sẽ nhiều mẫu nhà trong thời gian tới.
CÔNG TY TNHH KIẾN TRÚC XÂY DỰNG ĐOÀN ANH QUỐC
Địa chỉ: F38 Võ Văn Kiệt, Tp. Phan Thiết, Bình Thuận
Số điện thoại: (0252) 3 739 734 - NV Tư vấn: 088 972 9898 - 0914 53 59 88
Email: kientrucdaq@gmail.com - kientrucanhquoc@gmail.com
Website: https://doananhquoc.com/home/
https://thietkenhaphanthiet.com/
https://xaynhaphanthiet.com/
Pinterest: https://www.pinterest.com/kientrucdaq/_saved/
Youtube: youtube.com/cĐoànAnhQuốcxaynhatrongoi - youtube.com/channel/UCezMvSd1wi4Rardc2iNWktg